At present, major lithium battery manufacturers have designed various types of lithium battery protection chips for different types of lithium-ion battery overcharge, overdischarge, and overcurrent protection requirements to ensure battery safety performance and avoid deterioration of battery characteristics. Most of these lithium battery protection chips are suitable for lithium-ion batteries with 1-4 cells in series, and very few new products, such as Texas Instruments' BQ77PL900 chip, are suitable for lithium-ion batteries with 5-10 cells in series, and their protection functions Perfect and widely used in many lithium battery protection circuits. However, for many serial numbers, such as battery packs with more than 10 strings of lithium batteries in series or the number of protection chips are different from the actual number of lithium battery packs in series, if the current integrated circuit chips on the market are used to make the protection circuit, there will be no The disadvantage of not being flexible enough to achieve protection or use.
In addition, when a group of lithium batteries are charged in series, each battery should be balanced and charged, otherwise the performance and life of the entire group of batteries will be affected during use. Commonly used equalization charging techniques include constant shunt resistance equalization charging, on-off shunt resistance equalization charging, average battery voltage equalization charging, switched capacitor equalization charging, step-down converter equalization charging, inductance equalization charging, etc. The existing single-cell lithium battery protection chip does not contain the equalization charge control function; the multi-cell lithium battery protection chip equalization charge control function requires an external CPU, which is realized through serial communication with the protection chip (such as I2C bus), The complexity and design difficulty of the protection circuit are reduced, the efficiency and reliability of the system are reduced, and the power consumption is increased.
In this paper, for the use of power lithium batteries in groups, each lithium battery requires the protection of charging over-voltage, discharge under-voltage, over-current, and short-circuit. During the charging process, the problem of balanced charging of the entire group of batteries is designed to use a single-cell lithium battery. A battery pack protection board with equalizing charging function that protects any number of groups of lithium batteries connected in series. Simulation results and industrial production applications prove that the protection board has complete protection functions, stable operation, high cost performance, and equalization charging error less than 50mV.
Basic working principle
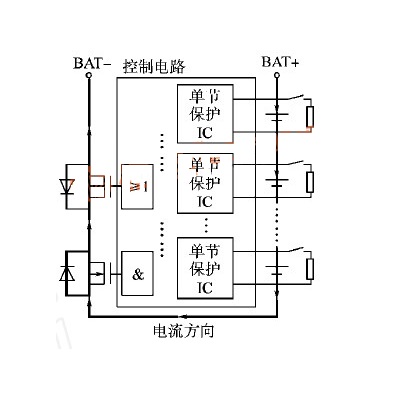
A schematic diagram of a lithium battery pack protection board with balanced charging capability designed with a single-cell lithium battery protection chip is shown in Figure 1. Among them: 1 is a single-cell lithium-ion battery; 2 is the charge overvoltage shunt discharge branch resistance; 3 is the switching device for shunt discharge branch control; 4 is the overcurrent detection protection resistance; 5 is the omitted lithium battery protection chip and circuit Connection part; 6 is a single-cell lithium battery protection chip (generally including charge control pin CO, discharge control pin DO, discharge overcurrent and short circuit detection pin VM, battery positive terminal VDD, battery negative terminal VSS, etc.); 7 The charging over-voltage protection signal is isolated by the optocoupler to form a parallel relationship to drive the gate of the charging control MOS tube in the main circuit; 8 is the discharge undervoltage, overcurrent, and short-circuit protection signal after being isolated by the optocoupler to form a series relationship to drive the discharge in the main circuit MOS tube grid for control; 9 is a charge control switch device; 10 is a discharge control switch device; 11 is a control circuit; 12 is a main circuit; 13 is a shunt discharge branch. The number of single-cell lithium battery protection chips is determined according to the number of lithium battery cells, and they are used in series to protect the corresponding single-cell lithium battery from charging and discharging, overcurrent, and short-circuit conditions. While charging and protecting, the system realizes balanced charging through the protection chip to control the on and off of the shunt discharge branch switch device. This solution is different from the traditional method of achieving balanced charging at the charger end, and reduces the design of the lithium battery pack charger. The cost of the application.

Figure 1 Schematic diagram of protection board for lithium battery pack with equalizing charging capability
When the lithium battery pack is charged, the positive and negative poles of the external power supply are connected to the positive and negative poles of the battery pack BAT+ and BAT- respectively, and the charging current flows through the positive electrode BAT+ of the battery pack, the single-cell lithium battery 1~N in the battery pack, and the discharge control switch device , The charge control switch device, the negative electrode BAT- of the battery pack, the current flow is shown in Figure 2.

Figure 2 Charging process
The charging over-voltage protection control signal of the single-cell lithium battery protection chip in the control circuit part of the system is isolated by the optocoupler and output in parallel to provide the gate voltage for the conduction of the charging switch device in the main circuit; such as a certain or several lithium batteries In the charging process, the over-voltage protection state is first entered, and the shunt discharge branch connected in parallel to the positive and negative ends of the single-cell lithium battery is controlled by the over-voltage protection signal to discharge, and at the same time, the corresponding single lithium battery connected in series in the charging circuit is disconnected leave the charging circuit.



